服務熱線
深圳市薩科微半導體有限公司技術骨干來自清華大學,以新材料新工藝新產品引領公司發展,掌握國際領先的第三代半導體碳化硅功率器件技術。薩科微集電子產品的設計開發、生產和銷售一體化的高新科技企業,為客戶提供可靠的產品和配套的技術服務。
1.1名稱:薩科微數字紅外熱電堆非接觸測溫應用
1.2應用:醫療、智能可穿戴設備、智能家電、工業溫度監測、非接觸表面人體測溫、額溫槍、學生卡、電子哨兵等近距離高精度數字測溫設備。
1.3芯片功能:
薩科微SL-W-TRS-5.5Dx是一款直插形式的數字紅外熱電堆芯片,用于非接觸測溫應用。芯片內置熱電堆傳感器和專用處理芯片,用戶無需其他外圍,直接通過 I2C 總線與傳感器進行通訊讀取。芯片本身附帶 5mm 和 8mm 金屬筒的標準型號,可以在-40℃~130℃溫度環境中應用。芯片能測量液體溫度、物體溫度(表溫)、人體溫度等,測量溫度范圍在-40℃~530℃之間。
1.4薩科微SL-W-TRS-5.5Dx系列型號為:
SL-W-W-TRS-5.5D1 --- 裸傳感器,TO-46 封裝,視場角 FOV = 90°
SL-W-TRS-5.5D2 --- TO-46 封裝加 5mm 高金屬筒,視場角 FOV = 75°
SL-W-TRS-5.5D3 --- TO-46 封裝加 8mm 高金屬筒,視場角 FOV = 60°
SL-W-TRS-5.5D4 --- TO-46 封裝加 5mm 異形金屬筒,視場角 FOV = 75°
SL-W-TRS-5.5D5 --- TO-46 封裝加 5mm 異形金屬筒,視場角 FOV = 75°
SL-W-TRS-5.5D6 --- TO-46 封裝加 3.5mm 異形金屬筒,視場角 FOV =75°
2. 薩科微SL-W-TRS-5.5Dx典型應用電路圖
2.1薩科微SL-W-TRS-5.5Dx電路原理:
薩科微SL-W-TRS-5.5Dx器件引腳包含電源、I2C 總線共 4 個管腳,供電電壓允許范圍為 2.3~3.6V。傳感器本身功耗很低,電源地之間使用一顆 0.1uF 電容即可,如果傳感器離供電部分比較遠,可以考慮增加一個 10uF 電容,以保證電源穩定降低噪聲。
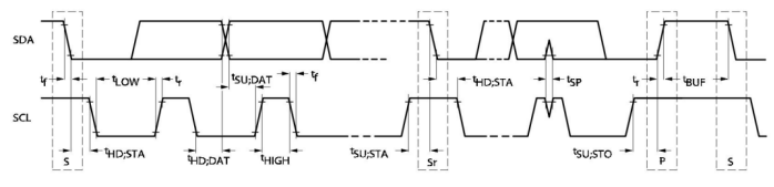
2.2薩科微SL-W-TRS-5.5Dx器件提供用于串行通信的 I 2C 通訊協議。 通訊協議的選擇是基于 CSB 狀態。 I 2C 總線使用 SCL 和 SDA 作為信號線,兩條線都通過上拉電阻從外部連接到 VDDIO,以便在總線空閑時,保 持為高電平。數字器件的 I 2C 設備地址可以通過寄存器 0x92 的 Chip_Address 進行配置,另有 I 2C 通的通配 7-bit 地 址為 0x7F(如下圖)
I 2C 器件通配地址
I 2C 總線器件 SDA 和 SCL 的總線線路特性
I 2C 時序圖
I 2C 通訊協議
2.3 當 SCL 處于高電平同時 SDA 處于下降沿,標志 I 2C 數據通訊開始。I 2C 主設備依次發送從設備的地址(7 位),隨后方向控制位 R/W 選擇讀/寫操作。當從設備識別到這個地址后,產生一個應答信號,并在第九個 SCL(ACK) 周期將 SDA 拉低。 SCL 處于高電平,SDA 處于上升沿,標志 I 2C 數據通信結束。當 SCL 為高時 SDA 傳輸的數據必須保持穩定。 只有當 SCL 為低時 SDA 傳輸的值才可以改變。
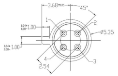
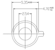
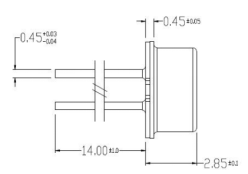
3.TO-46 金屬管殼封裝及尺寸
3.1引腳定義
4.結構設計要求
對于帶金屬光杯的型號,如果結構上允許,可以將傳感器鏡頭突出設備外殼上表面。 如果外觀有限制需要將器件內置,則需要保證結構避讓器件視場。
對于有特殊需求需要使用 TO46 裸傳感器芯片的產品,其本身感光視場角 FOV 約為 90 度。因為紅外熱電堆傳感器對光、熱非常敏感,所以環境溫度越穩定,雜散光干擾越 小,得到的測量結果越精確。一般來說不建議直接使用傳感器進行測量,在產品中應用需 要結構上的配合。 傳感器本身自帶硅濾光片,因為濾光片對紅外線有衰減,會導致測量結果偏低,如非必要,不要再增加其他濾光片。
4.1熱設計要求
環境溫度對測溫效果影響較大,盡量保證傳感器處于一個穩定的環境溫度下,避免熱源對其影響。因此要遠離高發熱器件,PCB 上傳感器四周盡可能做開槽設計,將傳感器置于孤島。
4.2測溫距離
傳感器輸出特性在近距離(一般指距離傳感器鏡片 20mm 以內)時受距離影響稍大,因此測量人體時建議的測量距離為 2-5cm 左右,測量其他物體在滿足視場角的情 況下可以適當拉長距離。
5.程序設計
5.1標準模式:通過配置寄存器實現I2C模式,直接I2C 讀取數據。
5.2體眠模式:sleep Mode 下復用SDA作為中斷INT輸出,I2C失效,SCL持續為高電平。只對比傳感器通道, 不對比內部溫度傳感器輸出。 在I2C IDLE模式下通過I2C配置sleep_en = 1,mode_en = 1進入sleep,sleep 一段時間 (100ms~25.6s,8bit),喚醒進行一次轉換得到ADCcal輸出,結合channel combination,check只對 比To1校準后的adc raw data,用校準后的數據跟閾值去比,滿足中斷條件就能觸發中斷,寄存器可配 高于設置閾值觸發中斷還是低于設置閾值觸發中斷,判斷完成后繼續進入sleep。默認配置SDA持續為 高電平,當觸發中斷則拉低,過50ms又回到高電平。此中斷信號可用于喚醒MCU。 MCU檢測到INT信號后,控制SCL下拉超過10ms回到I2C IDLE模式,sleep_en=0。
6.設計注意事項
應用設計中,重點需要了解的是測量對象的材質(液體,物體還是人體),測量距離,測量溫度范圍,根據應用環境做算法優化開發,以提高測量的精準度。原始芯片算法是只保證在熱平衡條件下,并且等溫條件(傳感器封裝上沒有溫度差)下傳感器有這個精度。若傳感器封裝上有溫差,測得精度就會受到影響。能引起傳感器封裝溫差的情況,比如傳感器底面或側面有較熱(或較冷)的元器件,或傳感器非常接近被測物體,被測物會局部加熱傳感器。




粵公網安備44030002007346號